local_shipping
Fri frakt order över 2000 kr
PRODUKTER
Sök på motortyp
Underhållsdelar
Reservdelar till Motorer
Reservdelar till Drev
Reservdelar Backslag
Specialverktyg
Tillbehör till Motorer
Begagnat
Propellrar
Övriga båttillbehör
Båtvård
Kemprodukter
Handböcker
Motorer
Elektriska utombordsmotorer
Batterier
Honda
Rea
SERVICE & TJÄNSTER
Vinterförvaring
Reparationer
Konservering & Service
Båtförsäljning & Leasing
Snickeriarbeten

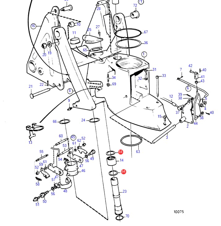
181620 Volvo Penta tätningsring

181620 Volvo Penta tätningsring

181620 Volvo Penta tätningsring

Artikelnummer: 181620

Pris 162:-

Volvo Penta tätningsring med artikelnummer 181620 är en original reservdel som används som en sealing ring mellan komponenter, till exempel mellan styrknut och nållager i drevets mellanhus eller liknande delar där en tät försegling behövs för att förhindra läckage och slitage i drivsystemet.

Passar till

100/110-serien: 100S, 110S
AD-serien: AD30A, AD31, AD31B, AD31D, AD31D-A, AD31XD, AD40B, AD41A, AD41B, AD41BJ
AQ-serien: AQ115A, AQ115B, AQ120B, AQ125A, AQ125B, AQ130A, AQ130B, AQ130C, AQ130D, AQ131A, AQ131B, AQ131C, AQ131D, AQ140A, AQ145A, AQ145B, AQ151A, AQ151B, AQ151C, AQ165A, AQ170A, AQ170B, AQ170C, AQ171A, AQ171C, AQ175A, AQ190A, AQ200B, AQ200C, AQ200D, AQ200F, AQ205A, AQ205LB, AQ211A, AQ225B, AQ225C, AQ225D, AQ225E, AQ225F, AQ231A, AQ231B, AQ240A, AQ255A, AQ255B, AQ260A, AQ260B, AQ271A, AQ271B, AQ271C, AQ271D, AQ290A, AQ311A, AQ311B
AQAD-serien: AQAD30A, AQAD40A, AQAD40B
AQD-serien: AQD21A, AQD21B, AQD40A
BB-serien: BB115A, BB115B, BB115C, BB140A, BB145A, BB165A, BB170A, BB170B, BB170C, BB225A, BB225AV, BB225B, BB225C, BB260AV, BB260B, BB260C, BB740A
B-serien: B20, B230, B230E, B230F, B230FB, B230FX
D-serien: D2-75B, D41B, 430, 500, 500A, 500B, 501A, 501B, 570, 570A, 571A, 572A, 740A, 740B
DP-serien: DP-A, DP-A2, DP-B, DP-B1, DP-C, DP-C1, DP-D, DP-D1, DP-E
DPX-serien: DPX-R
KAD/KAMD-serien: KAD42A, KAD42B, KAMD42B
MD-serien: MD21A, MD21B, MD30A, MD31A, MD40A
MB-serien: MB20A, MB20B, MB20C
MS-serien: MS3B, MS3C, MS4A, MS4B
PT-serien: PT93
Shield (sköldar): Shield, Shield for 290, Shield for 740A, Shield for DP, Shield for DPX, Shield for SP, Shield with by-pass, Shield with power trim
SP-serien: SP-A, SP-A1, SP-A2, SP-C, SP-C1, SP-E
TAMD-serien: TAMD30A, TAMD31A, TAMD31B, TAMD31D, TAMD31M, TAMD40A, TAMD40B, TAMD41B, TAMD41P, TAMD42B
TMD-serien: TMD30A, TMD31A, TMD31B, TMD31D, TMD40A, TMD40B, TMD40C, TMD41B
TSK-serien: TSK DP-E, TSK DP-G, TSK DP-S, TSK DPX-A, TSK DPX-C

Volvo Penta art nr: 181620

Detta är en originalartikel